新品有料 | 二次包边机构
返回 发布时间:2026-01-14 阅读次数:558 来源:武汉科尔精密科技有限公司
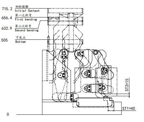
为解决汽车覆盖件包边过程中同一位置需要多道工序,多个折弯机构组合才能完成的复杂工艺,减少折弯机构在模具中占用的空间,我司新开发了二次包边机构,主要作用于二次包边工序。
二次包边机构是一款专门为解决汽车覆盖件包边过程中,工艺工序复杂问题的机构。采用此机构可有效缩减工艺工序,减少折弯机构在模具中占用空间。
二次包边具有以下特点 :
1.占用空间小一个机构可满足两次折弯需求,占用模具空间更小
2.回退稳定选用氮气弹簧回程,机构回程更稳定
对冲系列斜楔选型及说明








